方管及其他型钢的代号,壁厚、外径、定尺长度的公差标准是多少?

方管的公差标准和规范
在上一篇文章《方形方管和矩形方管的理论重量公式是什么?》 如何计算实际使用的材料? 文中我们介绍了方管的理论重量计算公式和实际材质计算公式。 方管的代码规则是什么? 公差标准是如何规定的?
1、方管和型钢的代表表示有哪些?
方形钢管、矩形钢管或方形、矩形冷弯空心型材简称方管、矩形管,代号分别为F、J。 他们通常使用能够代表产品外观特征的汉语拼音首字母,并且一般使用大写字母。
型钢按形状分为圆形、方形、矩形等异形冷弯空心型材。 代号是:
应符合的国家执行标准:
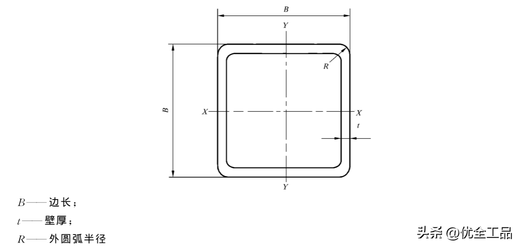
2、壁厚允许偏差范围
当方管壁厚不大于10mm时,不应超过公称壁厚的±10%。 当壁厚大于10mm时,除角部和焊缝区域的壁厚外,应为壁厚的±8%。
3、外径允许偏差范围
方管外径允许偏差应符合国家标准GBT 6728-2017
4、定长允许偏差范围
一般交货长度为6000~12000mm。 经供需双方协商,可供应其他长度的方管。 当按定长或倍长交货时,应在合同中注明(长度允许偏差应符合下表规定)。 若未注明定长精度,则按普通定长交货。
长度精度
长度(单位:毫米)
允许偏差(单位:mm)
普通定长
4000~12000
+50
尺寸精确
4000~6000
+50
>6000~12000
+100

圆管

方矩管

矩形方管
另外,方管通常的交货长度为4000mm-12000mm,以6000mm和12000mm居多。 方形、矩形管允许以不小于2000mm的短长度和非定长产品交货,也可以以接口管形式交货,但需方在使用时应将接口管剪掉。 短尺、不定长产品重量不得超过总交货数量的5%,理论重量大于20kg/m的方管重量不得超过总交货数量的10%。
并且方管的曲率每米不得大于2mm,总曲率不得大于总长度的0.15%。
这里介绍一下方管代号和公差标准的相关信息。 下期我们将概述Q235B方管的表示方法和质量等级符号。
转载请注明出处:https://www.twgcw.com/gczx/1164.html
